Geberit Mapress-gaz Té avec filetage intérieur

Particularités
• Indicateur de sertissage
• Non serti non étanche
• Marqué en jaune
• Joint d‘étanchéité en HNBR jaune
• Manchon à sertir avec bouchon de protection jaune
Caractéristiques techniques
Matériau Acier CrNiMo 1.4401 (EN 10088)
Fabricant Geberit Système Mapress
Trouvé 14
N° d'article
N° d'article
Fabricant
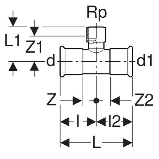
mm
L
cm
l
cm
L1
cm
Rp
pouce
d1Ø
mm
l2
cm
Z
cm
Z1
cm
Z2
cm
14 de 14
L
l
L1
Rp
d1Ø
l2
Z
Z1
Z2