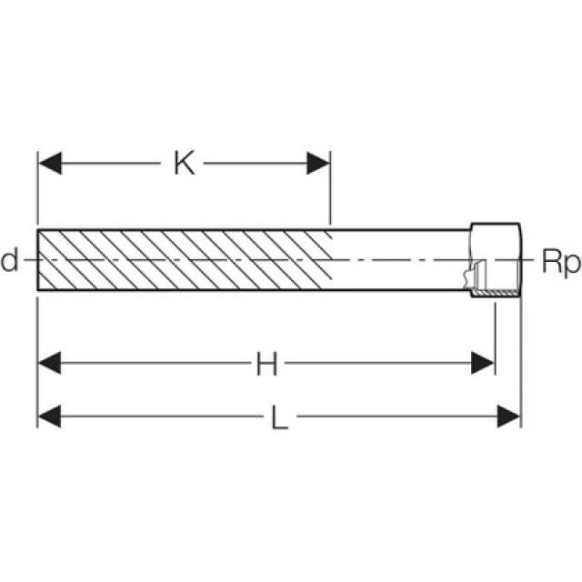
Geberit Mapress Raccord acier inoxydable avec filetage intérieur et extrémité à emboîter longue

Matériau Acier CrNiMo 1.4401 (EN 10088)
Fabricant Geberit Système Mapress