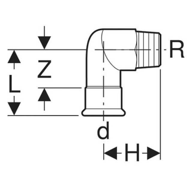
Geberit Mapress Equerre intermédiaire 90° acier inoxydable avec filetage extérieur

Particularités
• Indicateur de sertissage
• Non serti non étanche
• Joint d‘étanchéité en CIIR noir
• Manchon à sertir avec bouchon de protection transparent
Caractéristiques techniques
Matériau Acier CrNiMo 1.4401 (EN 10088)
Fabricant Geberit Système Mapress