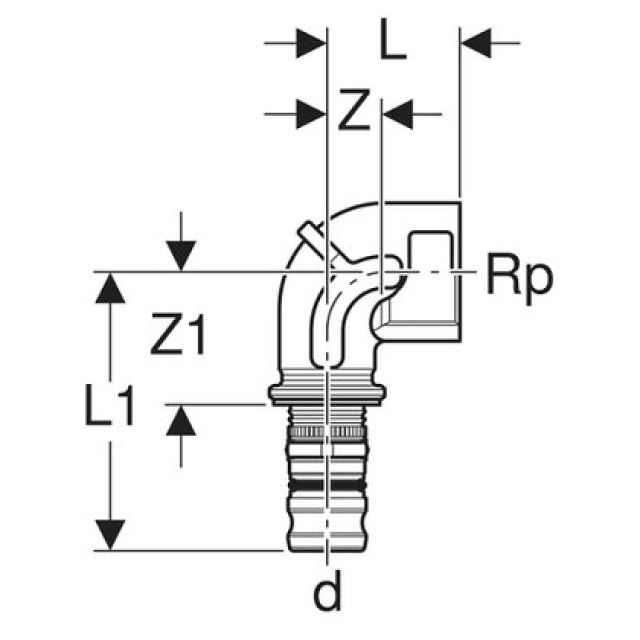
Mepla Coude intermédiaire 90° avec filetage intérieur

Particularités
• Non serti non étanche
• Joint torique en EPDM
• Mamelon à sertir avec cape de protection transparente
Caractéristiques techniques
Matériau Bronze (CuSn5Zn5Pb2-C)
Fabricant Geberit Système Mepla
Trouvé 10
N° d'article
N° d'article
Fabricant
mm
L
cm
L1
cm
Rp
pouce
Z
cm
Z1
cm
10 de 10
L
L1
Rp
Z
Z1