Mepla Raccord avec écrou de serrage

Champ d‘application
• Convient uniquement pour des filetages d‘un diamètre intérieur
   ≤ di, voir le tableau

Particularités
• Non serti non étanche
• Ecrou de serrage en laiton
• Joint torique en EPDM
• Mamelon à sertir avec cape de protection transparente
• Joint d‘étanchéité plat en Centellen® R WS 3825
Caractéristiques techniques
Matériau Bronze (CuSn5Zn5Pb2-C)
Fabricant Geberit Système Mepla
Trouvé 36
N° d'article
N° d'article
Fabricant
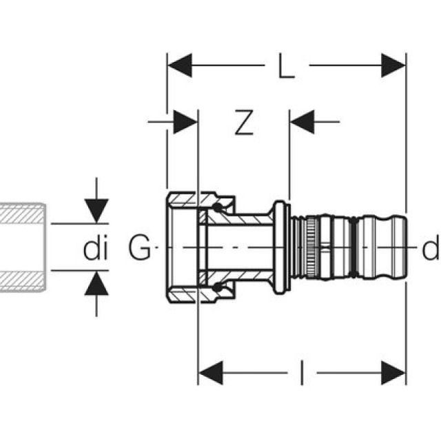
mm
L
cm
G
pouce
l
cm
d1Ø
cm
Z
cm
36 de 36
L
G
l
d1Ø
Z