Geberit PE-HD, Embranchement 88 1/2°

Fabricant Geberit Système PE
Trouvé 55
N° d'article
N° d'article
Fabricant
mm
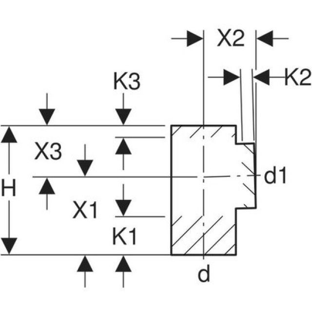
H
cm
X1
cm
X2
cm
X3
cm
d1Ø
mm
K1
cm
K2
cm
K3
cm
55 de 55
H
X1
X2
X3
d1Ø
K1
K2
K3