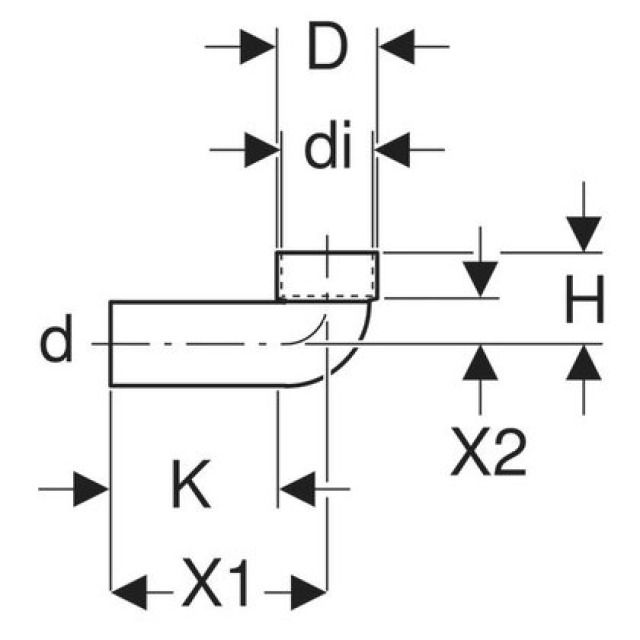
Geberit PE-HD, Coude de raccordement 88.5° pour WC au sol

Champ d‘application
• Pour appareils sanitaires à sortie verticale
Etendue de la livraison
• Cape de protection
A commander en supplément
• Manchette de raccordement
Fabricant Geberit Système PE
Trouvé 1
1 de 1