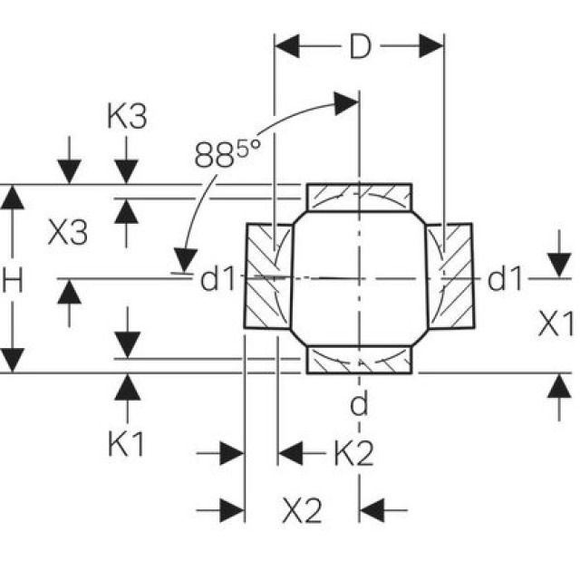
Geberit PE-HD, Embranchement boule 88.5° à deux départs, raccords 180° décalés

Fabricant Geberit Système PE
Trouvé 10
N° d'article
N° d'article
Fabricant
mm
D
cm
H
cm
X1
cm
X2
cm
X3
cm
d1Ø
mm
K1
cm
K2
cm
K3
cm
10 de 10
D
H
X1
X2
X3
d1Ø
K1
K2
K3