Geberit PE-HD, Manchon long avec collerette double

Champ d‘application
• Pour montage horizontal et vertical
Particularités
• Collerette double pour le logement du collier
• Avec joint en EPDM
Etendue de la livraison
• Cape de protection
Fabricant Geberit Système PE
Trouvé 13
N° d'article
N° d'article
Fabricant
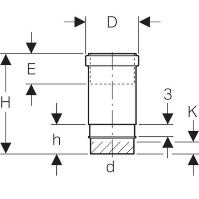
mm
D
cm
H
cm
h
cm
E
cm
I
cm
K
13 de 13
D
H
h
E
I
K