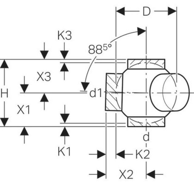
Geberit PE-HD, Embranchement boule 88.5° à trois départs, raccords 135° décalés

Fabricant Geberit Système PE