Geberit PE-HD, Ouverture de nettoyage 45° avec ouverture de révision ronde

Etendue de la livraison
• Joint en EPDM
• Cape de fermeture en PP
Fabricant Geberit Système PE
3 de 3
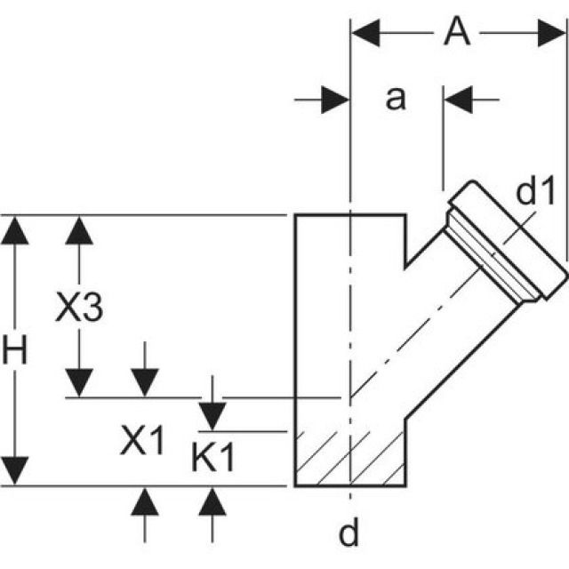
H
A
X1
X3
a
K1