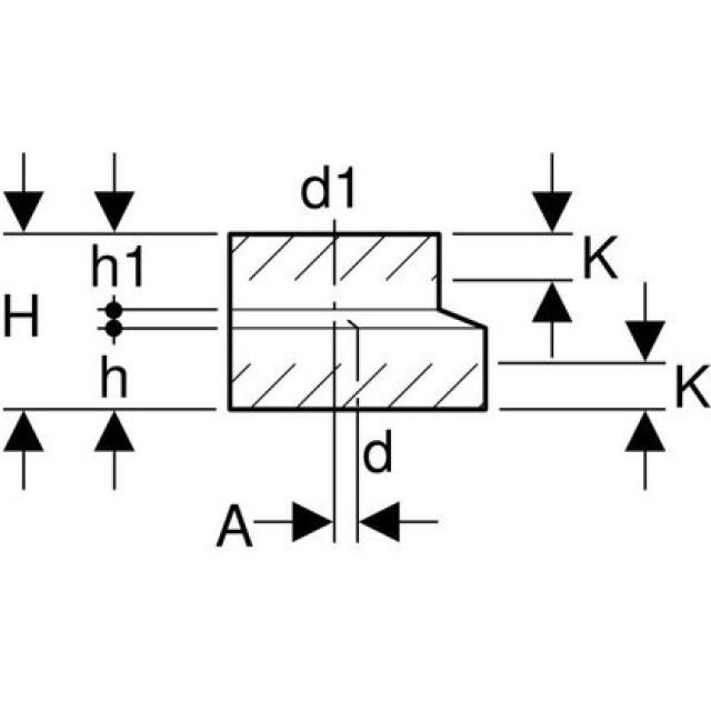
Geberit PE-HD, Réduction excentrique, courte

Fabricant Geberit Système PE
Trouvé 29
N° d'article
N° d'article
Fabricant
mm
d1
mm
H
cm
A
cm
h
cm
h1
cm
K
cm
29 de 29
d1
A
h
h1