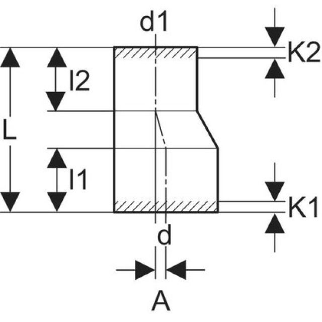
Geberit PE-HD, Réduction excentrique, longue

Fabricant Geberit Système PE
Trouvé 9
N° d'article
N° d'article
Fabricant
mm
d1
mm
L
cm
A
cm
K1
cm
K2
cm
l1
cm
l2
cm
9 de 9
d1
L
A
K1
K2
l1
l2