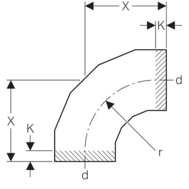
Geberit PE-HD, Coude à segement 90°

Fabricant Geberit Système PE
3 de 3
X
K
r