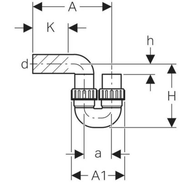
Geberit PE-HD, Siphon en tube coudé

Particularités
• Sortie horizontale
• Entrée verticale
• Résistant à la tension en direction longitudinale
• Ecrou de serrage en PP
• Avec joint en EPDM
Fabricant Geberit Système PE