Geberit PE-HD, Siphon PE en S avec ouverture de révision

Particularités
• Avec manchon long
• Avec ouverture de nettoyage 50 mm
• Cape de fermeture en PP
• Avec joint en EPDM
Etendue de la livraison
• Cape de protection
Fabricant Geberit Système PE
2 de 2
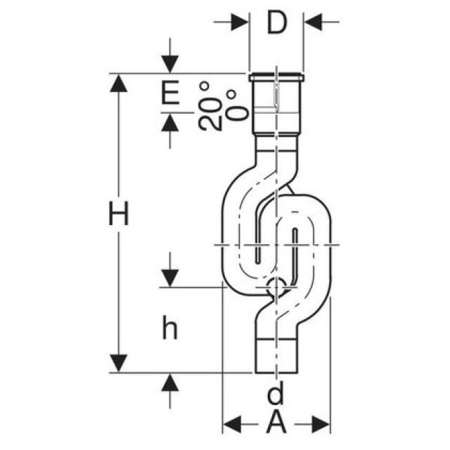
D
H
A
h