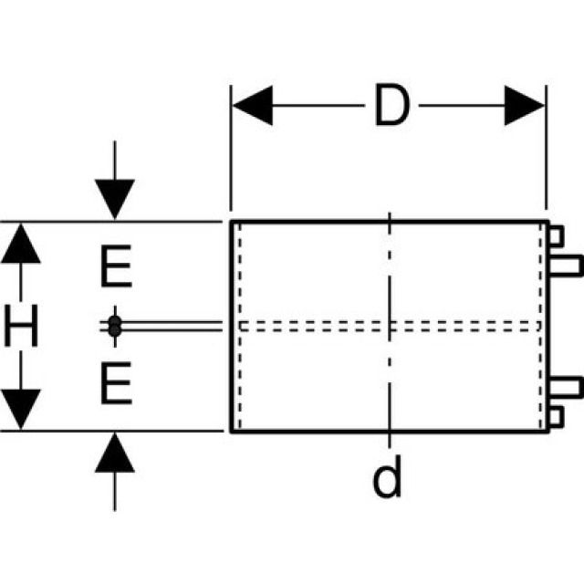
Geberit PE-HD, Manchon thermique

Champ d‘application
• Pour l‘assemblage résistant à la traction et indémontable de tuyaux et pièces
Particularités
• Avec sécurité thermique intégrée
• Soudable avec l‘appareil de déclenchement Geberit ESG-T2
• Soudable avec des appareils à souder électriques Geberit ESG 3
• Isolation thermique
Fabricant Geberit Système PE
3 de 3
D