Geberit PE-HD, Coude de raccordement 90° pour WC suspendu, contre-coudé à gauche, avec extension

Champ d‘application
• Pour le raccordement d‘appareils sanitaires à sortie horizontale
• Pour éléments Geberit Combifix pour WC suspendu
• Pour éléments de construction Geberit Sanbloc pour WC suspendu
• Pour le montage horizontal
Particularités
• Avec joint en EPDM
Etendue de la livraison
• Cape de protection
Fabricant Geberit Système PE
2 de 2
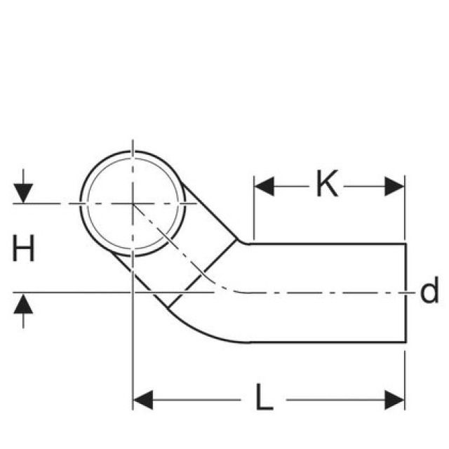
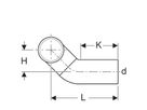
L
K