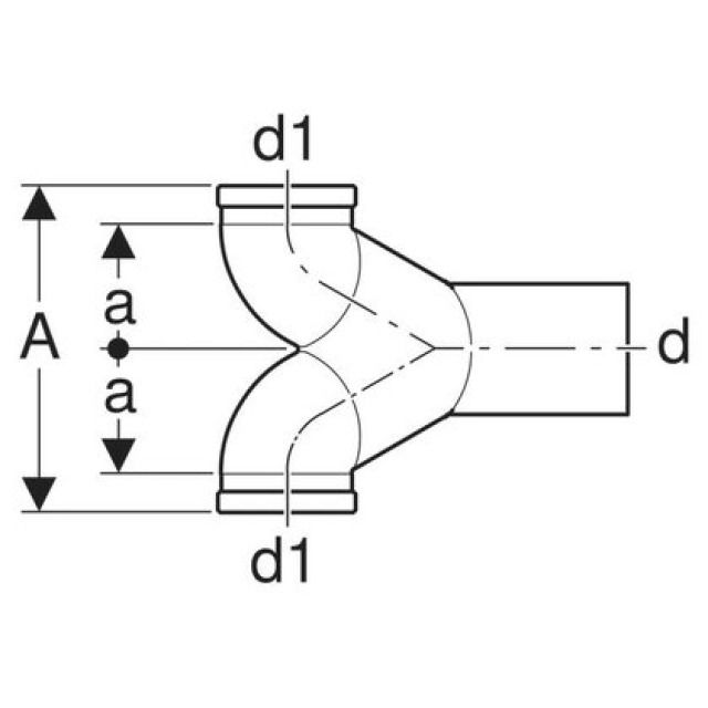
Geberit PE-HD, Coude de raccordement double 90° contre-coudé, pour WC suspendu

Champ d‘application
• Pour éléments Geberit Duofix, Geberit GIS et Geberit Combifix pour WC suspendu
• Pour éléments de construction Geberit Sanbloc pour WC suspendu
• Pour montage horizontal
• Pour le raccordement d‘appareils sanitaires à sortie horizontale
Particularités
• Avec joint en EPDM
Etendue de la livraison
• 2 capes de protection
Fabricant Geberit Système PE
Trouvé 1
1 de 1