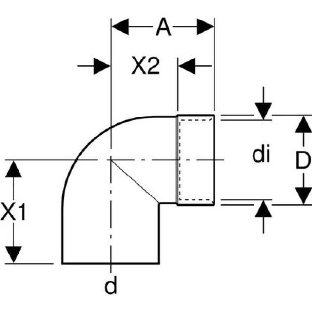
Geberit PE-HD, Coude de raccordement 90° pour manchette

Etendue de la livraison
• Cape de protection
A commander en supplément
• Manchette de raccordement
Fabricant Geberit Système PE
3 de 3
A
X2