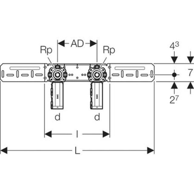
Geberit PushFit Boîte de raccordement 90° prémontée

Champ d‘application
• Pour tubes PB Geberit PushFit avec gaine de protection
• Pour eau potable

Particularités
• Indicateur d‘emboîtement vert
• Isolé contre le bruit
• Ne peut pas être extrait par la tête de la boîte
• Equerre de raccordement en bronze
• Connexion instantanée en laiton
• Joint torique en EPDM
• Raccord à emboîter avec cape de protection transparente
• Bouchon de protection pour essai de pression à l‘eau froide
   jusqu‘à 15 bar / 1500 kPa maximum
Etendue de la livraison
• 2 connexions instantanées
• 2 cols de boîte
• 2 bouchons de protection
• Matériel de fixation
Fabricant Geberit Système Pushfit
2 de 2