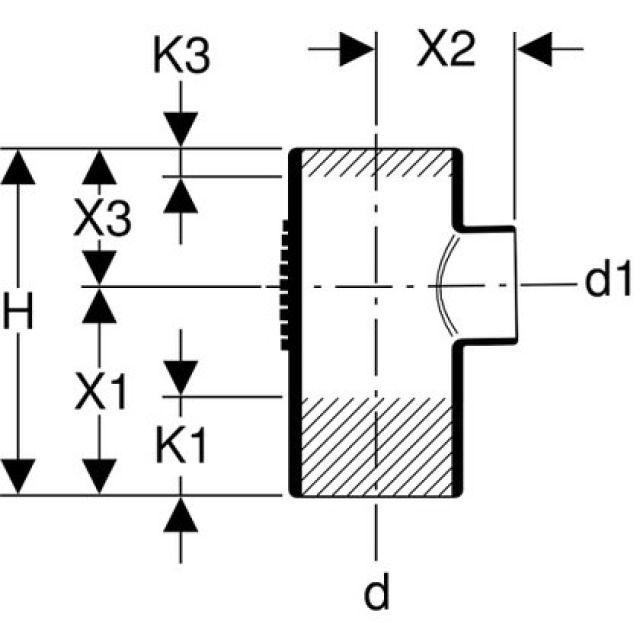
Silent-db20 Embranchement 88.5°

Fabricant Geberit Système Silent
Trouvé 18
N° d'article
N° d'article
Fabricant
mm
d1
mm
H
cm
X1
cm
X2
cm
X3
cm
K1
cm
K3
cm
18 de 18
d1
H
X1
X2
X3
K1
K3