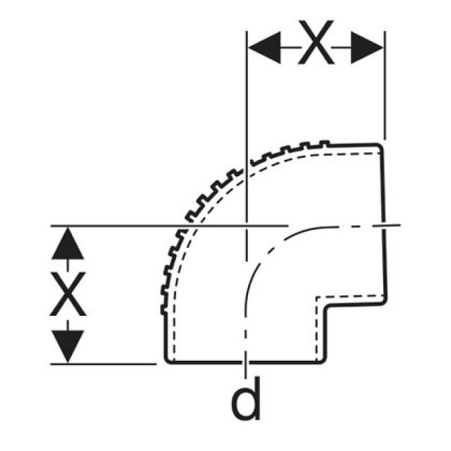
Silent-db20 Coude 88.5°

Equerre (rayon < 0,7 diamètre intérieur du tube), à utiliser uniquement pour le premier changement de direction après la sortie du siphon
Fabricant Geberit Système Silent