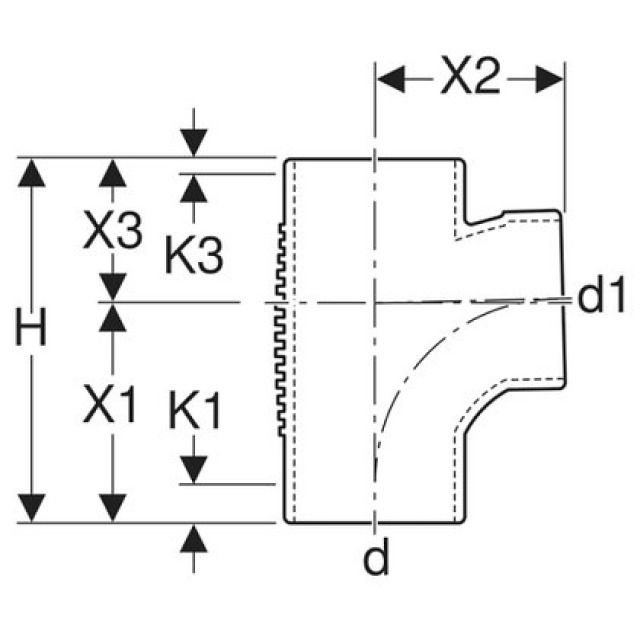
Silent-db20 Embranchement 88.5° avec départ coudé

Particularités
• Swept-Entry
Fabricant Geberit Système Silent