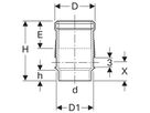
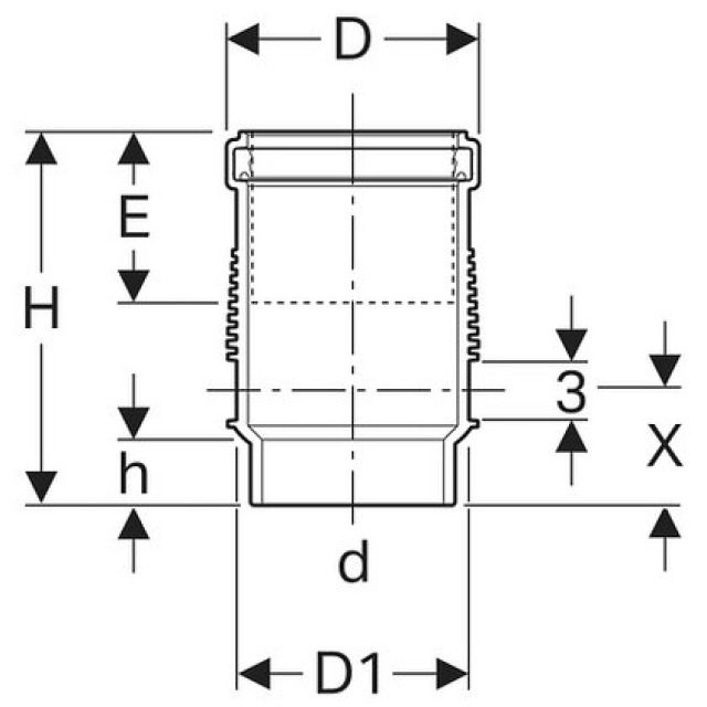
Silent-db20 Manchon long avec collerette double

Champ d‘application
• Pour montage horizontal et vertical
• Pour combiner avec des raccords de tuyaux résistants à la traction
• Pour une utilisation en cas de différences de température entre -10 et +60 °C
• Pour une utilisation avec collier Geberit d‘un DN supérieur
Particularités
• Avec compensation de la dilatation
• Avec joint à lèvres en EPDM
Fabricant Geberit Système Silent