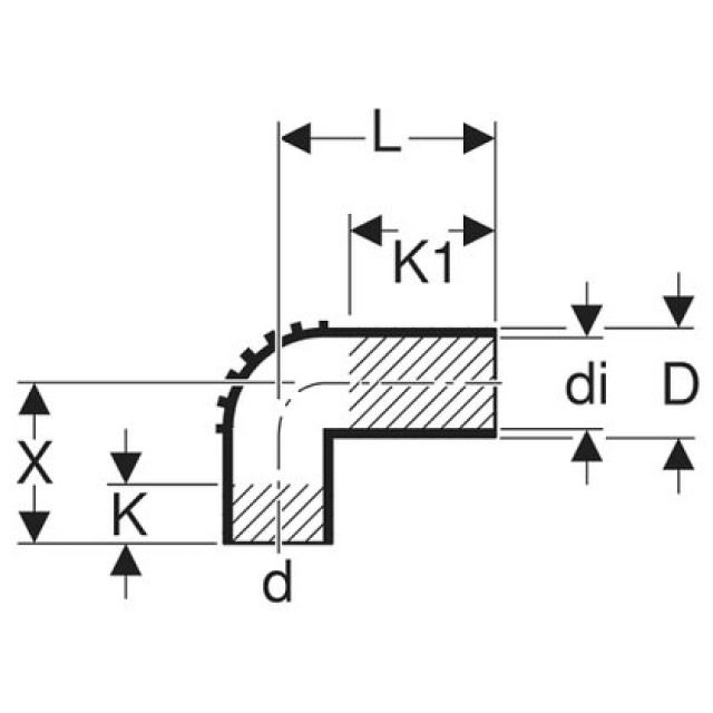
Silent-db20 Equerre de raccordement prolongé

Champ d‘application
• Pour éléments Geberit Duofix et Geberit GIS pour lavabo, urinoir ou bidet
• Pour manchettes de raccordement
Etendue de la livraison
• Cape de protection
Fabricant Geberit Système Silent
Trouvé 1
1 de 1