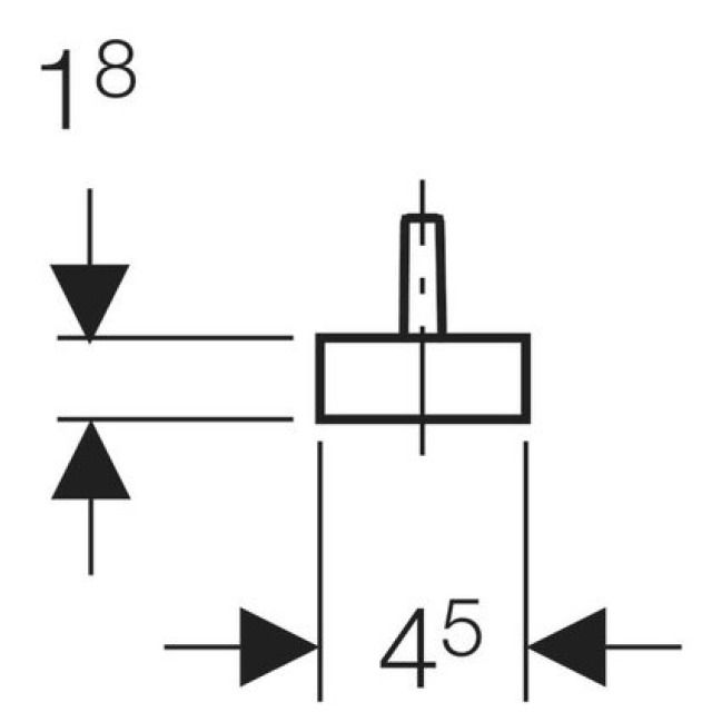
Geberit, Grille de soupape d'écoulement

Champ d‘application
• Pour entonnoir ovale Geberit
• Pour soupapes d‘écoulement Geberit Rg 60 x 1/8‘‘
Particularités
• Avec cinq trous ø 12 mm
Fabricant Geberit
Trouvé 1
1 de 1