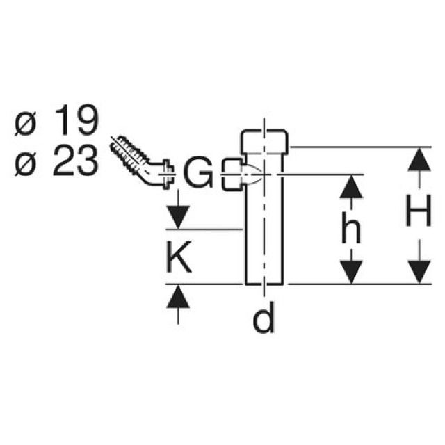
Geberit, Tubulure de raccordement avec raccord presse-étoupe et embout cannelé équerre

Champ d‘application
• Pour le raccordement de machines à laver ou de lave-vaisselle
• Pour une utilisation en combinaison avec des siphons en tube coudé
Etendue de la livraison
• Embout cannelé équerre en PP, ø 19 / 23 mm
• Bouchon borgne pour raccordement G 1“
Fabricant Geberit
Trouvé 1
1 de 1