Geberit Mapress Super Size Coude d'ajustage acier inoxydable 15°

Matériau Acier CrNiMo 1.4401 (EN 10088)
Fabricant Geberit Système Mapress
3 de 3
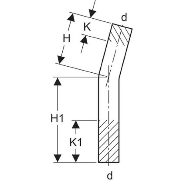
DN
H
H1
K
K1