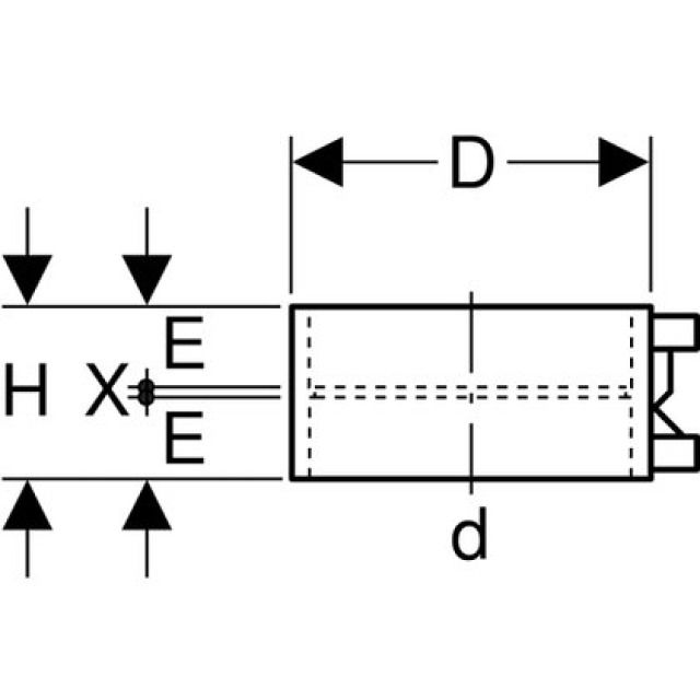
Geberit Manchon électro-soudable

Champ d‘application
• Pour l‘assemblage résistant à la traction et indémontable de tuyaux et pièces
Particularités
• Soudable avec des appareils à souder électriques Geberit
Fabricant Geberit Système Silent
Trouvé 1
1 de 1