Geberit Mapress Té égal acier inoxydable

Particularités
• Indicateur de sertissage
• Non serti non étanche
• Joint d‘étanchéité en CIIR noir
• Manchon à sertir avec bouchon de protection transparent
Caractéristiques techniques
Matériau Acier CrNiMo 1.4401 (EN 10088)
Fabricant Geberit Système Mapress
Trouvé 8
N° d'article
N° d'article
Fabricant
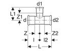
mm
d2
mm
L
cm
l
cm
L1
cm
d1Ø
mm
l2
cm
Z
cm
Z1
cm
Z2
cm
8 de 8
d2
L
l
L1
d1Ø
l2
Z
Z1
Z2