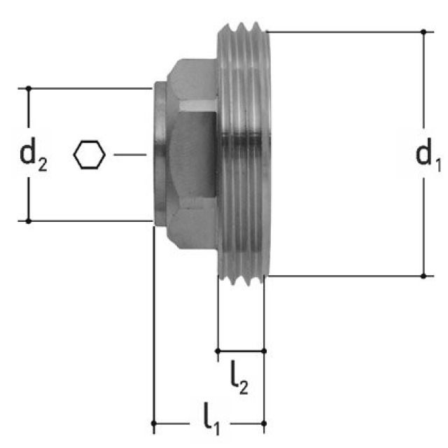
JRG, 5176, JRGUSIT NG Bouchon

• Matériel: Bronze
• Raccord: Filetage mâle
Fabricant GF JRG