Geberit Naissance d'eaux pluviales avec tôle de raccordement

Champ d‘application
• Pour collecter et évacuer les eaux pluviales sur les toits
• Pour évacuation des toitures conventionnelle
• Pour le raccordement des étanchéités bitumeuses
Particularités
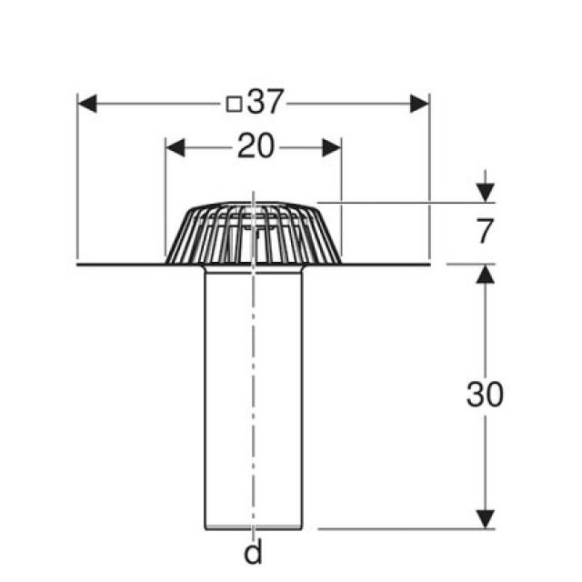
• Sortie verticale
• Tubulure de raccordement en acier CrNi 1.4301, pouvant être raccourcie
Caractéristiques techniques
Débit d'évacuation 6 l/s
Hauteur d'eau maximale 35 mm
Etendue de la livraison
• Crapaudine en PP
• Elément de base avec bavette d‘étanchéité en acier CrNi 1.4301
• Couvercle de protection de chantier
Fabricant Geberit Système Pluvia
Trouvé 1
1 de 1