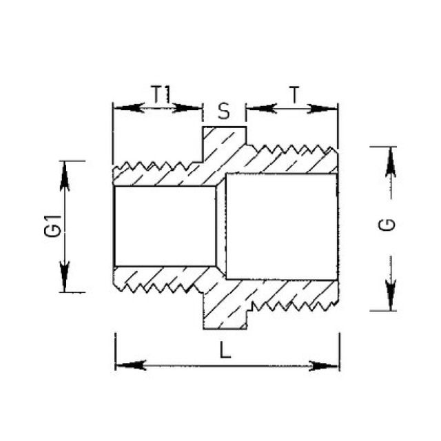
Mamelon double réduit, joint plat

en laiton
Trouvé 14
N° d'article
L
mm
G
pouce
G1
pouce
S
mm
t
mm
t1
mm
14 de 14
L
G
G1
S
t
t1