Silent Garniture de raccordement verticale, avec isolation contre la condensation et entonnoir d'entrée conique

Champ d‘application
• Pour naissances d‘eaux pluviales Geberit conventionnelles
Particularités
• Tubulure de raccordement en PE-S2, pouvant être raccourcie
Etendue de la livraison
• Insert pour eau de chantier
• Matériel de fixation
• Isolation contre la condensation
Fabricant Geberit
2 de 2
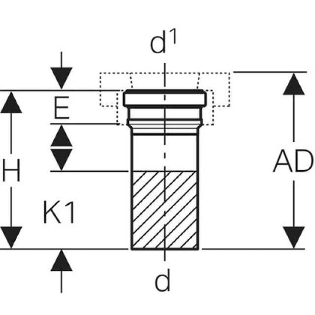
d1Ø
E