Silent Garniture de raccordement horizontale, avec isolation contre la condensation et entonnoir d'entrée conique

Champ d‘application
• Pour naissances d‘eaux pluviales Geberit conventionnelles
Particularités
• Tubulure de raccordement en PE-S2, pouvant être raccourcie
Etendue de la livraison
• Insert pour eau de chantier
• Isolation contre la condensation
Fabricant Geberit
2 de 2
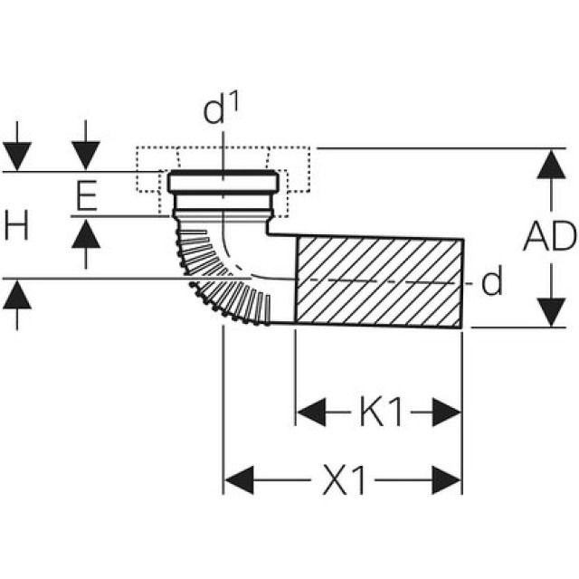
H
AD
d1Ø
E