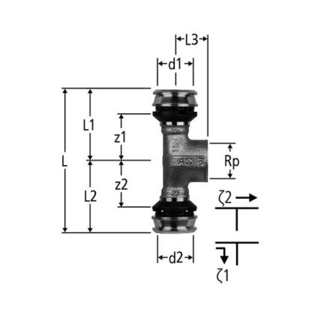
Optiflex-Flowpress-Té, 84243

avec filetage femelle, PN 10
Fabricant R. Nussbaum Système Flowpress
6 de 6
d1
d2
L
L1
L2
Rp
z1
z2
L3