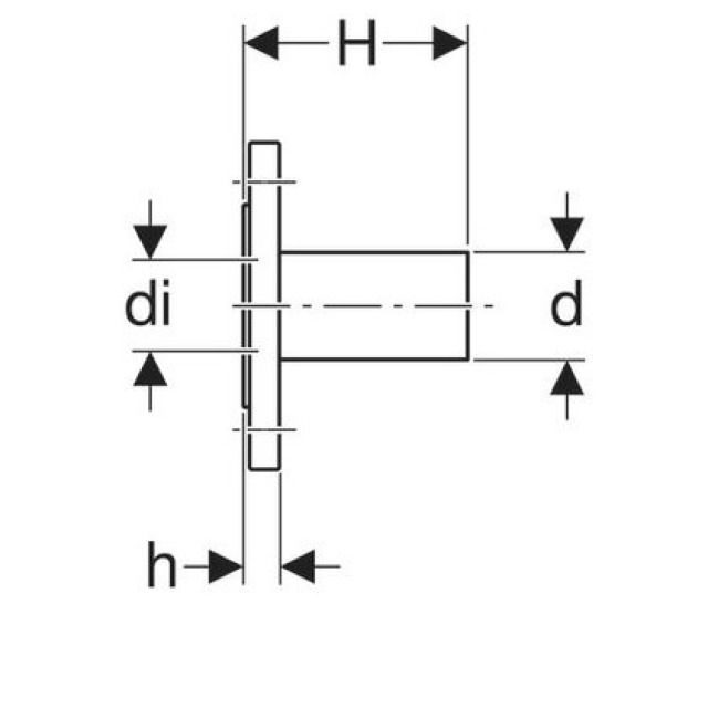
Bride Mapress acier carbone, PN 6, avec extrémité à emboîter

Fabricant Geberit Système Mapress