Geberit Mapress apress Bride acier inoxydable, PN 10/16, avec manchon à sertir

Particularités
• Indicateur de sertissage
• Non serti non étanche
• Joint d‘étanchéité en CIIR noir
• Manchon à sertir avec bouchon de protection transparent
• Forme B1 (languette d‘étanchéité avec surface d‘étanchéité standard), EN 1092-1
Caractéristiques techniques
Matériau Acier CrNiMo 1.4401 (EN 10088)
Fabricant Geberit Système Mapress
Trouvé 7
N° d'article
N° d'article
Fabricant
DN
PN
Bar
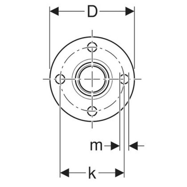
mm
D
cm
L
cm
l
cm
d1Ø
m
k
mm
m
mm
n
Pce
7 de 7
DN
D
L
l
d1Ø
k
m
Z