Bride Mapress acier carbone, PN 6, avec manchon à sertir

Fabricant Geberit Système Mapress
3 de 3
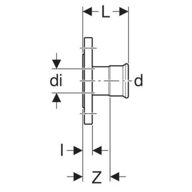
DN
L
Z
diØ
I