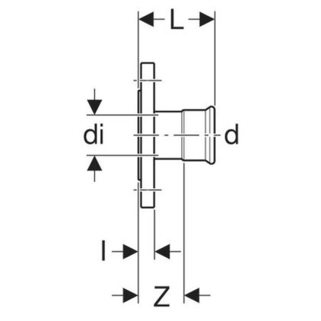
Bride Mapress acier carbone, PN 10/16, avec manchon à sertir

Fabricant Geberit Système Mapress
3 de 3
DN
L
Z
diØ
I