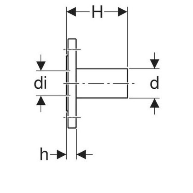
Bride Mapress acier carbone, PN 6, avec extrémité à emboîter

Fabricant Geberit Système Mapress
3 de 3
DN
H
diØ
h