Geberit Mapress Super Size Bride acier inoxydable, PN 10/16, avec manchon à sertir

Particularités
• Indicateur de sertissage
• Non serti non étanche
• Joint d‘étanchéité en CIIR noir
• Manchon à sertir avec bouchon de protection transparent
• Forme B1 (languette d‘étanchéité avec surface d‘étanchéité standard), EN 1092-1
Caractéristiques techniques
Matériau Acier CrNiMo 1.4401 (EN 10088)
Fabricant Geberit Système Mapress
3 de 3
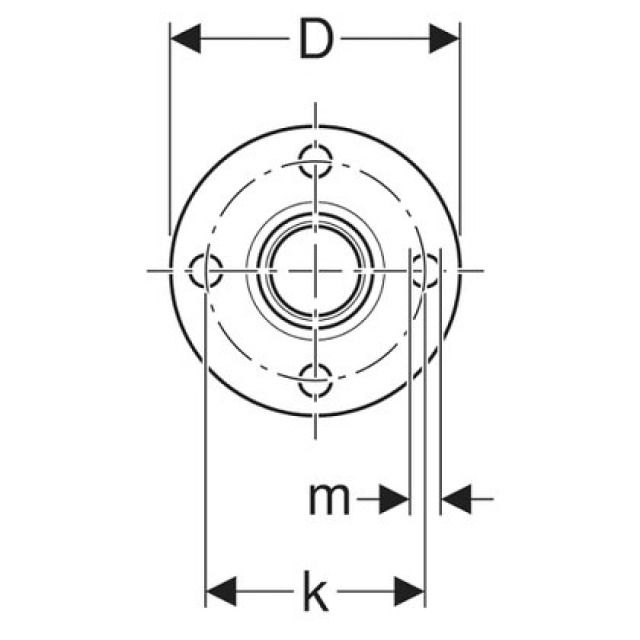
DN
D
L
l
d1Ø
k
n
Z