Geberit, Raccord à la barrière vapeur Pluvia

Champ d‘application
• Pour l‘évacuation des toitures par dépression
• Pour raccorder les barrières vapeur en matière synthétique ou en bitume
• Pour naissances d‘eaux pluviales Geberit Pluvia, avec un débit d‘évacuation de 12 l/s
• Pour toitures isolées avec barrière vapeur
Particularités
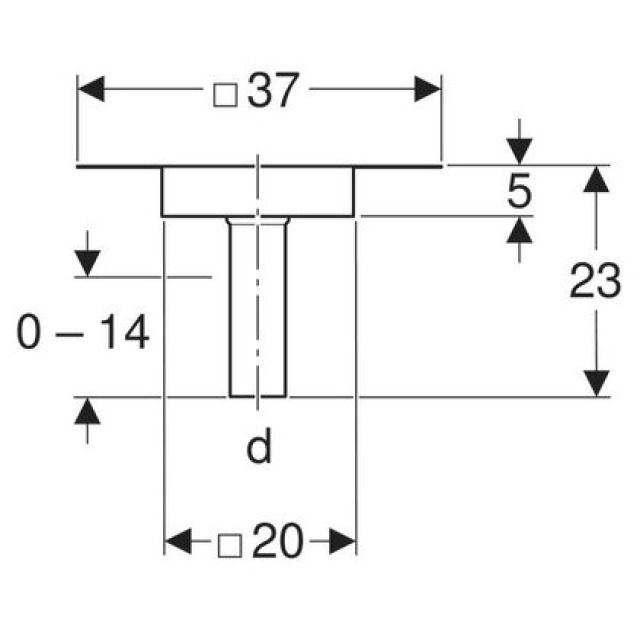
• Sortie verticale
• Tubulure de raccordement pouvant être réduite ou élargie directement
• Tubulure de raccordement en PE-HD, pouvant être raccourcie
Etendue de la livraison
• Isolation contre la condensation
• Couvercle de protection de chantier
Fabricant Geberit Système Pluvia
Trouvé 1
1 de 1