Geberit Robinet d'arrêt encastré JRG LegioStop® avec fixation

Champ d‘application
• Pour eau potable froide et chaude
• Pour eau de chauffage
• Pour eau de refroidissement sans antigel
• Pour plaques de montage Geberit Duofix et Geberit GIS
• Pour construction massive et sèche
Particularités
• Anneau d‘étanchéité autocollant, revêtu de non tissé
• Deux points de fixation pour cercle de perçage ø 60 mm
• Partie supérieure échangeable
• Joints du robinet et de la partie supérieure en EPDM
Caractéristiques techniques
Température de service 0–90 °C
Matériau Bronze (CuSn5Zn5Pb2-C)
Etendue de la livraison
• Rosace de commande
• Anneaux d‘identification des fluides (rouge, bleu)
• Base d‘isolation phonique
• Anneau d‘étanchéité
• Matériel de fixation
Fabricant Geberit
2 de 2
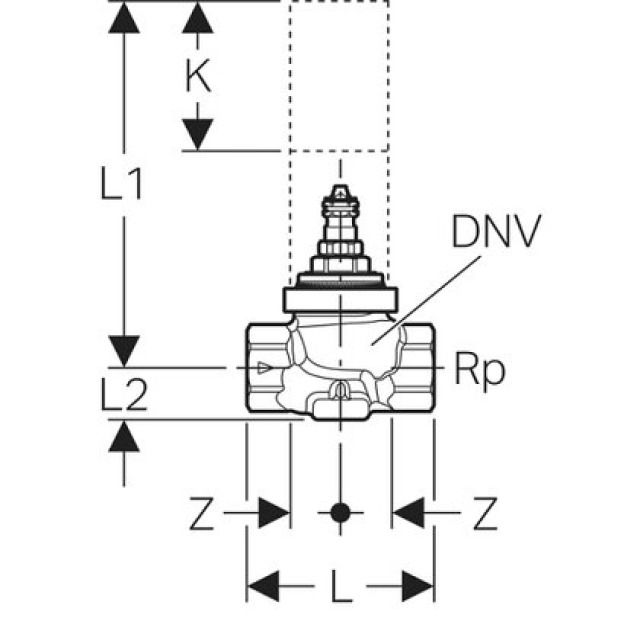
DN
L
Rp
Z