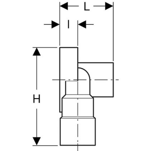
Geberit Set d'isolation phonique, pour équerre de raccordement double 90°

Champ d‘application
• Pour équerres de raccordement doubles Geberit avec filetage intérieur Rp 1/2“
Particularités
• Noir
Caractéristiques techniques
Matériau EPDM
Etendue de la livraison
• Cape antibruit
• Base d‘isolation phonique
Fabricant Geberit Système Pushfit
Trouvé 1
1 de 1