Mapress Robinet à bille acier inoxydable avec levier de déclenchement

Champ d‘application
• Pour eau potable froide et chaude
• Pour eau de chauffage
• Pour eau de refroidissement sans antigel
• Pour eau de refroidissement avec antigel
• Pour l‘eau traitée (champ d‘application conformément à IT « Eaux traitées »)
Particularités
• Bille et corps de base à passage intégral
• Fixation du levier avec vis
• Partie supérieure échangeable
• Bille en PPSU
• Joint de la partie supérieure en EPDM
• Joints de la bille en silicone
• Indicateur de sertissage
• Non serti non étanche
• Joint d‘étanchéité en CIIR noir
• Manchon à sertir avec bouchon de protection transparent
Caractéristiques techniques
Température de service -20 - +95 °C
Matériau Acier CrNiMo 1.4401 (EN 10088)
Etendue de la livraison
• Marquages de couleur (rouge, bleu, vert)
Fabricant Geberit Système Mapress
7 de 7
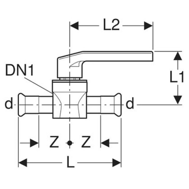
DN
L
L1
L2
Z