Geberit Set naissance d'eaux pluviales avec tôle de raccordement<br>et raccord à la barrière vapeur 110mm

Champ d‘application
• Pour collecter et évacuer les eaux pluviales sur les toits
• Pour évacuation des toitures conventionnelle
• Pour le raccordement des étanchéités bitumeuses
• Pour toitures isolées avec barrière vapeur
• Pour raccorder les barrières vapeur en matière synthétique ou en bitume
Particularités
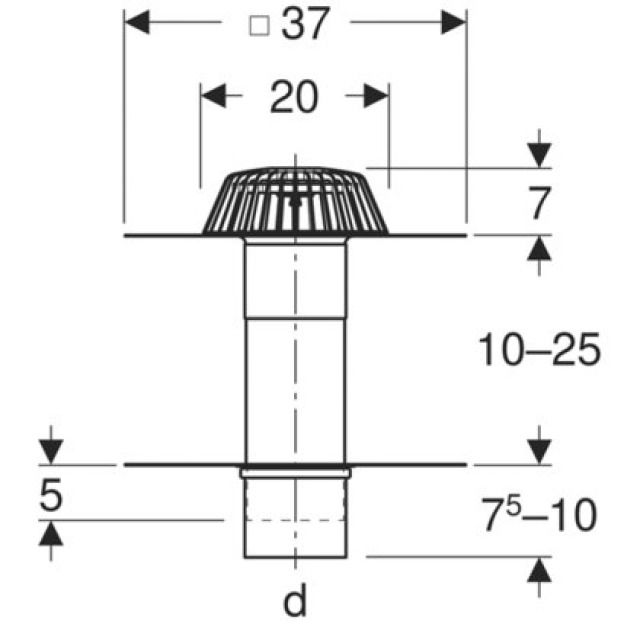
• Sortie verticale
• Tubulure de raccordement en acier CrNi 1.4301, pouvant être raccourcie
Caractéristiques techniques
Débit d'évacuation 6 l/s
Hauteur d'eau maximale 35 mm
Etendue de la livraison
• Crapaudine en PP
• Elément de base avec bavette d‘étanchéité en acier CrNi 1.4301
• Raccord à la barrière vapeur en acier CrNi 1.4301
• 2 capes de protection de chantier
Fabricant Geberit
Trouvé 1
1 de 1