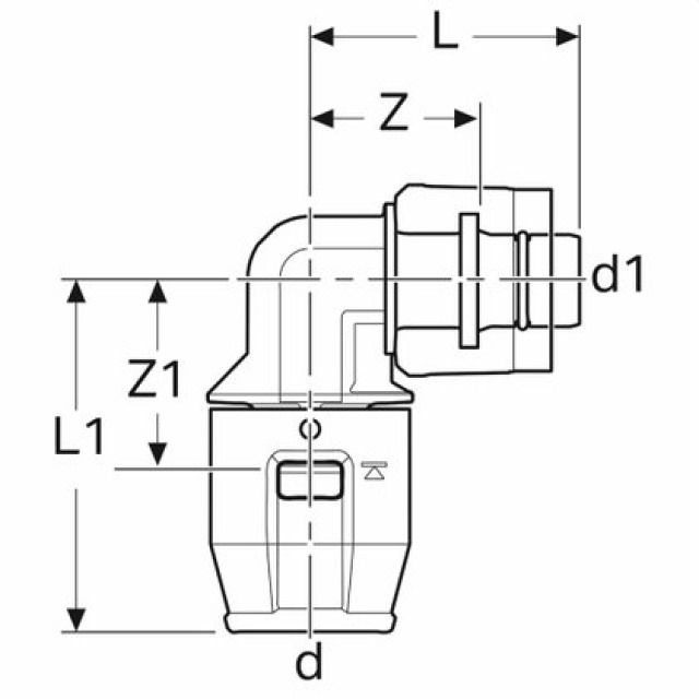
Geberit PushFit Equerre intermédiaire 90° avec MasterFix

Champ d‘application
Pour raccorder sans outils sur des éléments, des plaques de montage et des raccords avec filetage extérieur MF 1/2“

Particularités
• Indicateur d‘emboîtement vert
• Joint torique en EPDM
• Raccord à emboîter avec cape de protection transparente
• MasterFix avec cape de protection bleu
Caractéristiques techniques
Matériau PVDF
Fabricant Geberit Système Pushfit
2 de 2
L1
Z1