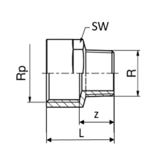
+GF+ Allonge réduit, 8246, bronze au silicium

- bronze au silicium
Fabricant GF